
.png?url_route_name=users)
Tous les produits
CC100 - Contrôleur Compact 100
Automatisation
- Exposant : WAGO Contact SA
- Lieu : hall 3.0, Stand E11
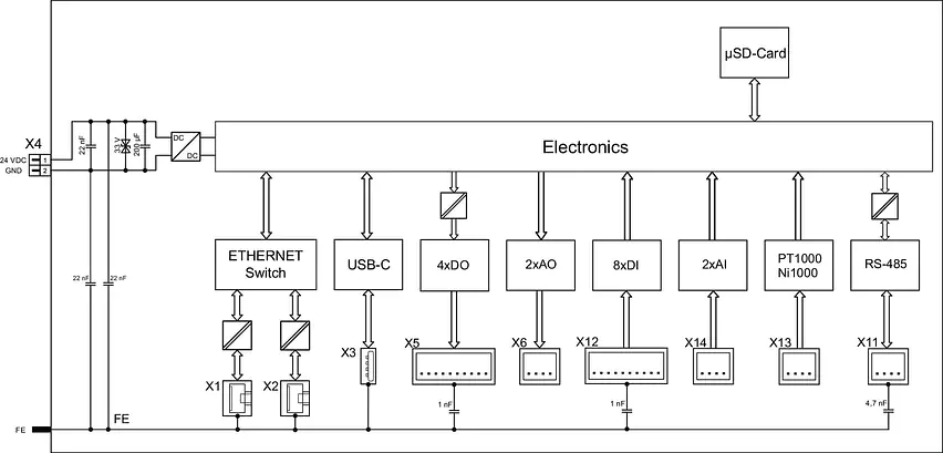
Le Compact Controller 100 est un contrôleur compact que vous pouvez utiliser pour différents projets d’automatisation. Vous pouvez le programmer avec différents outils, comme CODESYS V3, Node-RED, Python ou C++.
Vous pouvez aussi installer des applications supplémentaires sur le contrôleur pour le transformer en un dispositif IIoT avec une fonctionnalité de passerelle.
Le contrôleur dispose de nombreuses interfaces, comme Ethernet, USB, CANopen et RS-232/485. Vous pouvez également l’étendre avec des modules WAGO-I/O-SYSTEM 750 pour connecter plus de bus de terrain et de signaux.